最近在做麦克风方面的打板测试验证,发现麦克风的电路是不同的,遇到了一些问题,于是收集一些常见电路,防止后续踩坑
目前消费类电子产品上使用的麦克风器件主要是驻极体麦克风和硅麦克风这两大类,在这两类中,按输出信号类型分,又可以分为模拟麦克风和数字麦克风。以下将对这两大类的应用电路分别进行介绍。
驻极体麦克风
模拟驻极体麦克风

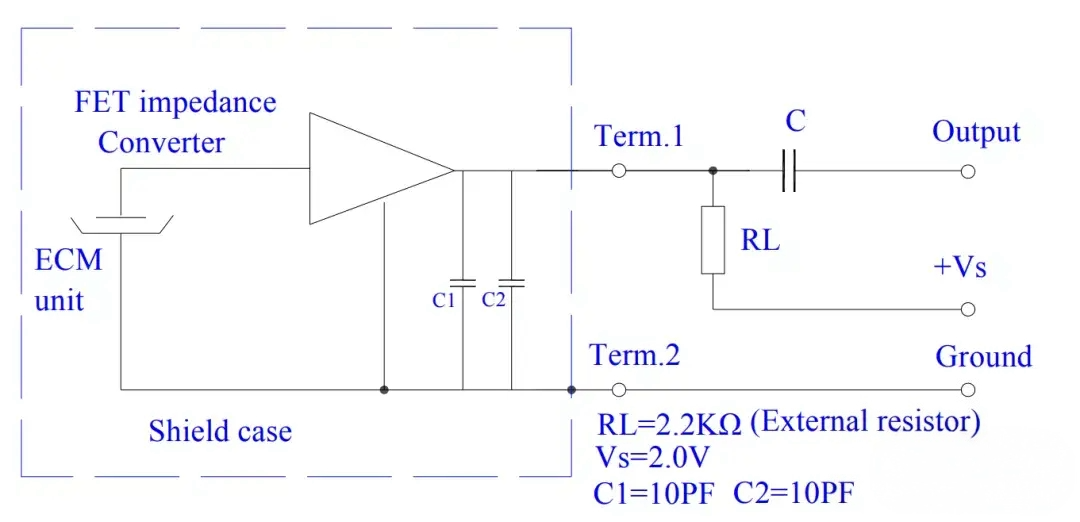
模拟驻极体麦克风,一般有两个输出pin点,分别是输出正极和地。在电路应用中,常规接法如下图所示:

麦克风的正极通过偏置电阻RL接入电源Vs,通过耦合电容C将信号输出到下级电路,RL阻值一般为2.2KΩ,耦合电容C一般建议为1uF~2.2uF。注意RL阻值的大小会影响麦克风输出信号的大小,实际应用中,阻值的大小请参考麦克风器件的规格书上的描述。电源Vs建议为PMU的LDO输出,建议值为1.8V~3.3V,供电电压越大,麦克风的输出信号越大,同时消耗电流也越大。
数字驻极体麦克风
数字驻极体麦克风与模拟驻极体麦克风的差异就是在麦克风芯片的内部多集成了一个ADC,目前比较多见的数字驻极体麦克风是以PDM格式输出信号。

PDM数字驻极体麦克风一般有4个输入输出pin点,分别为VCC,CLK,Data和GND,也有一些是5个pin,比4个pin多一个L/R选择pin。数字驻极体麦克风的应用电路比较好理解,就是按照麦克风的输入输出pin点定义,与Codec或AP的I/O口一一对应接上即可,同时建议在CLK靠近Codec端预留串联一个0欧姆电阻,以方便调试因为信号线过长导致的振铃问题。如下图所示:
硅麦克风
模拟硅麦克风
模拟硅麦克风与模拟驻极体麦克风的区别是,模拟硅麦克风有一个单独的VCC pin,电源线和信号线是分开的。如单端输出的模拟硅麦克风有3个pin,分别是VCC、Output和GND。若是差分输出的模拟硅麦克风,则是4个pin,输出分为Output+和Output-。

单端输出的模拟硅麦克风,常规应用电路如下图所示:

单端输出的模拟硅麦克风连接电路

差分输出的模拟硅麦克风连接电路
上图是模拟硅麦克风应用电路的两个示例。通常在电源端并联一个0.1μF的电容(也可以增加并联一个10μF电容),以过滤来自电源电压的干扰。在信号输出线中串联一个电容(推荐1μF~2.2uF),以从信号中滤除直流分量。
数字硅麦克风
数字硅麦克风与模拟硅麦克风的差异就是麦克风内部IC集成了ADC电路,在IC内部将模拟信号转换成了数字信号,与数字驻极体麦克风一样,数字硅麦克风目前常用的是PDM格式输出的,也有少量的I2S输出的麦克风。

PDM格式的数字硅麦克风一般有5个pin,分别是VCC、CLK、Data、L/R和GND。电路应用中,按照麦克风的输入输出pin点定义,与Codec或AP的I/O口一一对应接上即可。如是多麦克风阵列的应用,一般是2颗麦克风共用一个Data线,同时将两颗麦克风的L/R端分别接高电平和低电平,如下图所示:

一般建议在CLK线靠近Codec接口端预留一个串联电阻,以及在Data线靠近麦克风接口端预留一个串联电阻。目的是防止因为信号线过长而导致的信号振铃问题。
评论区